德國原裝進口螺柱焊機代理 上海悅仕焊接技術有限公司
專注德國HBS Soyer(索亞)螺柱焊機銷售與售后維修服務

您所在的位置: 螺柱焊機首頁 第三步-選擇焊接范圍

上一步您選擇的焊接材質是:

 您可以:

 1. 返回上一步重新選擇

 2. 返回第一步重新選擇

 3. 立刻致電上海悅仕

 4. 點擊右下角圖標,與上海悅仕對話

 5. 從下方繼續選擇

螺柱焊釘的材質,適合焊接低碳鋼,不銹鋼,黃銅,鋁


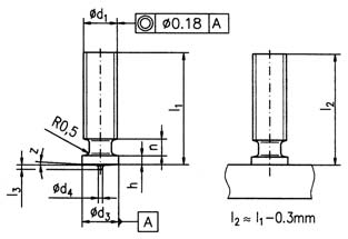
 最后一步:請您根據您的需求選擇合適的焊接范圍

d1(螺柱直徑)
M3-M6
M3-M8
M4-M10